Mercury & Mariner Outboard L4 & L6 135-200 HP Verado Gearcase Parts Diagrams

This OBParts page covers parts for 2006-2020 Mercury & Mariner L4 & L6 135-200 HP with the smaller 4.8" hub. Whether you need an OEM replacement reverse gear, propeller mounting hardware, or a propeller shaft. We provide accurate diagrams and part numbers, along with detailed parts descriptions, to help you identify precisely what parts you need—fast shipping and expert support. OBParts.

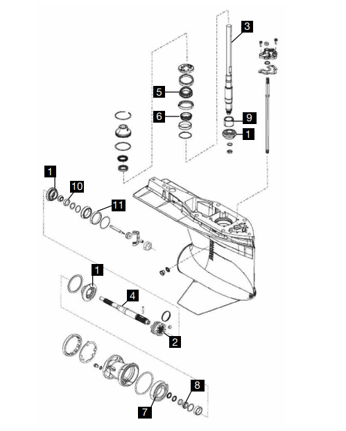
The following parts correspond to the numbers on the diagram above:
- Gearset
- Gearset 1.75 Ratio
- Gearset 1.85 Ratio
- Gearset 2.08 Ratio - Clutch Dog
- Driveshaft
- 4 Cylinder 20" Driveshaft
- 4 Cylinder 25" Driveshaft
- 6 Cylinder 20" Driveshaft
- 6 Cylinder 25" Driveshaft
- 6 Cylinder 30" Driveshaft - Propshaft
- Top Driveshaft Bearing
- Top Driveshaft Bearing
- Reverse Gear Bearing
- AFT Carrier Bearing
- Bottom Driveshaft Bearing
- Inner FWD Gear Bearing
- Outer FWD Gear Bearing
We also offer the following items: